Use a 6 digit display as a williams credit display (50 % solution)



For my testplace I needed a willims credit display. These displays are very rare because they use a special 4 digit glass.


Unfortunately this display glas was outgased.
I didn't want to order a new one. I had some 6 digit displays after converting several pinball to 7 digit displays. So I took a deep look at the schemas. (frg mailed them to me, thanks frank)


4 digit schemas

The digits one and two are controlled by the segement control lines: 1,3,4,5,9,10,13
The digits three and four are controlled by other segement control lines: 29,30,33,35,36,37,39
This means that two digits could by adressed with different segment informations at the same time !!.

6 digit schemas

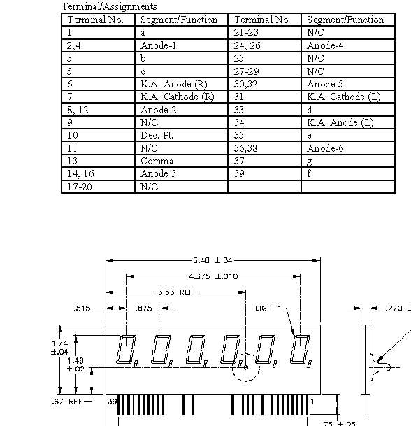
Important: There is only one set of segment control lines: 1,3,5,33,35,37,39

This means, a 6 digit display can only replace two of the four digits (50 % solution), because there is only one set of segment control lines.

For my testplace I need only the two rightmost digits. In these digits the switch and the solenoid numbers are displayed. During game you see there the ball in play and the match number.

I took a schema from the willimas credit display and match the pinout from the 6 digit display glass.

The brown numbers refer to the 6 digit display glass.

I removed the old 4 digit glass, then I mounted the 6 digit glass. I connected pin 1,2,3,5,6,7,8,31,34 from the 6 digit glass direct to the pcb holes. Then I connected pin 4 to pin 2 and pin 12 to 8 from the glass. Then I added 4 additional wires.

Every thing ready:

I made this glass for my testplace, but this modfied glass can used in a pinball of course.

Mail me

return to mainpage