Nineball home rom, or how to blast a mpu200 to new (memory) limits...
After recieving my nos nineball playfield from Michael Kelley I also got a new nineball rom revision from him. He worked on this with Correy and they improved the switch handling extremly.
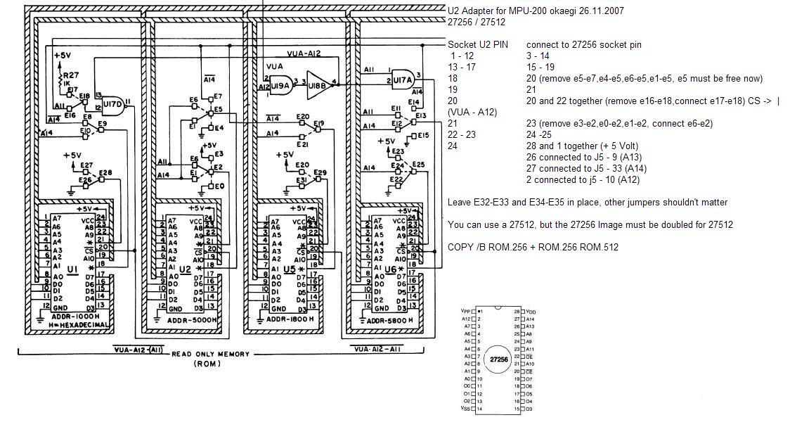
Unfortunately the nineball game rom is absolute full and the mpu-200 can handle only two 2732 Eproms maximum, so the complete program rom size is 8912 bytes (or 8 K). Correy and Michael Kelley also have to remove some usefull routines like: checksum calculation during startup, coin control, audits in selftest to save some game rom space.
I found an easy way to overcome this limitation of the mpu-200 board.
I built this little adapter and put it in the u2 socket:
With this little adapter, you can use one 27256 eprom instead of the two 2732 eproms. I keep the adapter extremly simple, as a result of my modification the entire game rom size for a mpu-200 is only doubled...(16384 bytes (or 16 K)).
Here is how to do it:
First, burn the file on a 27256 (or a 27512) eprom.
(version 85)
New rules:
When you have a 2 ball multiball, the multiplier 2x flashes and all scores are 2x
When you have a 3 ball multiball, the multiplier 4x flashes and all scores are 4x
Checksum validation is now correct. Limitation: Selftest is not complete. Freegame only.
1) Take a little breadboard and a 28 pin socket (I used a 24 pin socket) for the 27256 and a socket adapter for the U2 socket (looks like this):
2) Cut the traces and solder the socket adapter to the breadboard.
3) Solder the 28 pin socket to the breadboard.
4) Solder one wire from the socket adapter pin 24 to the pin 28. (27256 socket, small red wire upper left)
5) Solder three wires to the 27256 socket (as described to pin 26,27 and 2 from the 27256 socket).
Here a picture from the backside:
6) Solder one wire from the backside of the socket and connect pin 20 and 22 (27256 socket).
7) Insert adapter into u2.
8) Solder the three wires to the backside from the j5 connector
9) Don't forget to modify the jumpers:
10) Put the mpu-200 back into pinball and play...